XLB16PB-M

Short Description:

AMASS Gen4 connector XLB16PB-M is a new 2PIN connector designed for Line-Plate standing.It can match XLB16 cable one.


Product Detail

Product Tags

Product Model

Name of Produ Product Type Product Pictures
XLB16PB-M Yellow XLB16PB-M.S.Y  
XLB16PB-M Black  XLB16PB-M.S.B  
XLB16PB-M Red  XLB16PB-M.S.R  

Electrical SPEC

Electrical specifications
Current rating 16A(16AWG△≤55K)22A(16AWG△≤85K)12A(18AWG△≤55K)15A(18AWG△≤85K)
Rated voltage 80V DC
Insulation Resistance ≥2000MΩ
Contact Resistance ≤0.8mΩ
Mechanical characteristics
Plug Life. 20 times
Insertion force ≤4.0kgf
Pull out force ≥5.0kgf
Environmental resistance
Work Temperature -40℃ to 120℃
Materials Flame Level  Body) UL94 V-0
GWFI GWFI 850°C
Environmental RoHS2.0、 Reach、 PAHS、TSCA、CP65
Salt Spray Refer to GB/T 2423.17-2008    capable of 48H
Material
Housing Body Plastic housing: PA: Yellow , black Red
Matal part Copper-T2
Plating Sliver
Apply
Connection Mode Welding

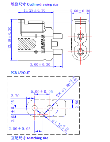
Product Drawings

Outline drawing size

Matching size

Matching size with back 

Why Choose Us

Production-line-strength

The company is located in Lijia Industrial Park, Wujin District, Jiangsu Province, covering an area of 15 mu and a production area of 9000 square meters,

The land has independent property rights. So far, our company has about 250 R & D and manufacturing personnel

Manufacturing and sales teams.

Equipment strength

Equipment strength

Amass has current temperature rise test, welding resistance test, salt spray test, static resistance, insulation voltage

Testing equipment such as plug-in force test and fatigue test, and professional testing capabilities ensure the quality of products

Stability.

Production line strength

Production-line-strength

Our company is equipped with injection molding workshop, welding line workshop, assembly workshop and other production workshops, and more than 100 production equipment to ensure the supply of production capacity.

Applications

Electric bicycle

Suitable for electric bicycle motor

Small size and large current, the current is continuously and stably output, and the riding is not stuck.

Electric vehicle

Applicable to lithium battery, the core component of electric vehicle

V0 class flame retardant, which plays a certain flame retardant role in the situation of lithium battery high temperature thermal runaway.

Energy storage equipment

Suitable for household energy storage, outdoor energy storage and other equipment

Red copper conductor, with strong conductivity, can ensure the continuous and stable current of the product.

Intelligent robot

Applicable to intelligent robots

The contact structure of copper parts is upgraded and the contact points are increased, which greatly improves the safety performance

Model UAV

Applicable to agricultural spraying and plant protection UAV

IP65 protection grade, dust-proof and waterproof, meeting the waterproof application of plant protection machine

Small household appliances

Applicable to battery end of wireless vacuum cleaner

High and low temperature resistance, meet the use of the battery at the charge and discharge temperature

Tools

Suitable for garden electric chain saw logging

The product is provided with snap locking function, which can resist vibration and falling off in high-frequency vibration scenarios

Transportation tools

It is suitable for balancing vehicles, balancing wheels and other transportation tools

360 ° crown spring, increased service life, high-strength vibration without instantaneous break

FAQ

Q: What is your payment method?

A: Different payment terms are given according to the actual situation and the customer's situation. You can pay by bank wire transfer, bank transfer payment, etc.

Q :Can you provide samples to customers to check product quality before ordering?

A: We can provide samples to customers for recognition, but after reaching a certain amount, the samples will be charged. Please contact our sales staff for specific requirements.

Q: Can I customize connector products?

A: Yes, we can customize connector products according to your needs. For specific requirements and contents, please contact our sales personnel.


  • Previous:
  • Next:

  • Write your message here and send it to us